| D1 | s | tol | D3 | tol | マックス | ≈B | D5分 | wt(g) | D2 | tol | m | t | N | fn(kn) | fr(kn) | g | frg(kn) | K n・mm |
| 8 | 0.80 |
–0.05 |
8.7 |
0.36 –0.10 |
2.4 |
1.1 |
1.0 |
0.10 |
8.4 |
0.09 |
0.90 |
0.20 |
0.6 |
0.86 |
2.0 |
0.5 |
1.5 |
9.2 |
| 9 | 0.80 |
–0.05 |
9.8 |
0.36 –0.10 |
2.5 |
1.3 |
1.0 |
0.13 |
9.4 |
0.09 |
0.90 |
0.20 |
0.6 |
0.96 |
2.0 |
0.5 |
1.5 |
8.4 |
| 10 | 1.00 |
–0.06 |
10.8 |
0.36 –0.10 |
3.2 |
1.4 |
1.2 |
0.26 |
10.4 |
0.11 |
1.10 |
0.20 |
0.6 |
1.08 |
4.0 |
0.5 |
2.2 |
19.6 |
| 11 | 1.00 |
–0.06 |
11.8 |
0.36 –0.10 |
3.3 |
1.5 |
1.2 |
0.31 |
11.4 |
0.11 |
1.10 |
0.20 |
0.6 |
1.17 |
4.0 |
0.5 |
2.3 |
21.0 |
| 12 | 1.00 |
–0.06 |
13.0 |
0.36 –0.10 |
3.4 |
1.7 |
1.5 |
0.37 |
12.5 |
0.11 |
1.10 |
0.25 |
0.8 |
1.60 |
4.0 |
0.5 |
2.3 |
20.2 |
| 13 | 1.00 |
–0.06 |
14.1 |
0.36 –0.10 |
3.6 |
1.8 |
1.5 |
0.42 |
13.6 |
0.11 |
1.10 |
0.30 |
0.9 |
2.10 |
4.2 |
0.5 |
2.3 |
20.3 |
| 14 | 1.00 |
–0.06 |
15.1 |
0.36 –0.10 |
3.7 |
1.8 |
1.7 |
0.52 |
14.6 |
0.11 |
1.10 |
0.30 |
0.9 |
2.25 |
4.5 |
0.5 |
2.3 |
19.7 |
| 15 | 1.00 |
–0.06 |
16.2 |
0.36 –0.10 |
3.7 |
2.0 |
1.7 |
0.56 |
15.7 |
0.11 |
1.10 |
0.35 |
1.1 |
2.80 |
5.0 |
0.5 |
2.3 |
19.0 |
| 16 | 1.00 |
–0.06 |
17.3 |
0.36 –0.10 |
3.8 |
2.0 |
1.7 |
0.60 |
16.8 |
0.11 |
1.10 |
0.40 |
1.2 |
3.40 |
5.5 |
1.0 |
2.6 |
18.4 |
| 17 | 1.00 |
–0.06 |
18.3 |
0.42 –0.13 |
3.9 |
2.1 |
1.7 |
0.65 |
17.8 |
0.11 |
1.10 |
0.40 |
1.2 |
3.60 |
6.0 |
1.0 |
2.5 |
18.1 |
| 18 | 1.00 |
–0.06 |
19.5 |
0.42 –0.13 |
4.1 |
2.2 |
2.0 |
0.74 |
19.0 |
0.13 |
1.10 |
0.50 |
1.5 |
4.80 |
6.5 |
1.0 |
2.6 |
18.2 |
| 19 | 1.00 |
–0.06 |
20.5 |
0.42 –0.13 |
4.1 |
2.2 |
2.0 |
0.73 |
20.0 |
0.13 |
1.10 |
0.50 |
1.5 |
5.10 |
6.8 |
1.0 |
2.6 |
17.2 |
| 20 | 1.00 |
–0.06 |
21.5 |
0.42 –0.13 |
4.1 |
2.3 |
2.0 |
0.90 |
21.0 |
0.13 |
1.10 |
0.50 |
1.5 |
5.40 |
7.2 |
1.0 |
2.6 |
16.9 |
| 21 | 1.00 |
–0.06 |
22.5 |
0.42 –0.13 |
4.2 |
2.4 |
2.0 |
1.00 |
22.0 |
0.13 |
1.10 |
0.50 |
1.5 |
5.70 |
7.6 |
1.0 |
2.6 |
17.2 |
| 22 | 1.00 |
–0.06 |
23.5 |
0.42 –0.13 |
4.2 |
2.5 |
2.0 |
1.10 |
23.0 |
0.13 |
1.10 |
0.50 |
1.5 |
5.90 |
8.0 |
1.0 |
2.7 |
17.6 |
| 23 | 1.20 |
–0.06 |
24.6 |
0.42 –0.13 |
4.2 |
2.5 |
2.0 |
1.34 |
24.1 |
0.13 |
1.30 |
0.55 |
1.7 |
6.80 |
8.0 |
1.0 |
4.6 |
28.8 |
| 24 | 1.20 |
–0.06 |
25.9 |
0.42 –0.21 |
4.3 |
2.6 |
2.0 |
1.42 |
25.2 |
0.21 |
1.30 |
0.60 |
1.8 |
7.70 |
13.9 |
1.0 |
4.6 |
28.4 |
| 25 | 1.20 |
–0.06 |
26.9 |
0.42 –0.21 |
4.5 |
2.7 |
2.0 |
1.50 |
26.2 |
0.21 |
1.30 |
0.60 |
1.8 |
8.00 |
14.6 |
1.0 |
4.7 |
29.0 |
| 26 | 1.20 |
–0.06 |
27.9 |
0.42 –0.21 |
4.7 |
2.8 |
2.0 |
1.60 |
27.2 |
0.21 |
1.30 |
0.60 |
1.8 |
8.40 |
13.8 |
1.0 |
4.6 |
27.8 |
| 27 | 1.20 |
–0.06 |
29.1 |
0.42 –0.21 |
4.7 |
2.9 |
2.0 |
1.75 |
28.4 |
0.21 |
1.30 |
0.70 |
2.1 |
10.10 |
13.3 |
1.0 |
4.5 |
26.6 |
| 28 | 1.20 |
–0.06 |
30.1 |
0.50 –0.25 |
4.8 |
2.9 |
2.0 |
1.80 |
29.4 |
0.21 |
1.30 |
0.70 |
2.1 |
10.50 |
13.3 |
1.0 |
4.5 |
26.3 |
| 29 | 1.20 |
–0.06 |
31.1 |
0.50 –0.25 |
4.8 |
3.0 |
2.0 |
1.88 |
30.4 |
0.25 |
1.30 |
0.70 |
2.1 |
10.90 |
13.6 |
1.0 |
4.6 |
26.8 |
| 30 | 1.20 |
–0.06 |
32.1 |
0.50 –0.25 |
4.8 |
3.0 |
2.0 |
2.06 |
31.4 |
0.25 |
1.30 |
0.70 |
2.1 |
11.30 |
13.7 |
1.0 |
4.6 |
26.6 |
| 31 | 1.20 |
–0.06 |
33.4 |
0.50 –0.25 |
5.2 |
3.1 |
2.5 |
2.10 |
32.7 |
0.25 |
1.30 |
0.85 |
2.6 |
14.10 |
13.8 |
1.0 |
4.7 |
26.8 |
| 32 | 1.20 |
–0.06 |
34.4 |
0.50 –0.25 |
5.4 |
3.2 |
2.5 |
2.21 |
33.7 |
0.25 |
1.30 |
0.85 |
2.6 |
14.60 |
13.8 |
1.0 |
4.7 |
26.6 |
| 33 | 1.20 |
–0.06 |
35.5 |
0.50 –0.25 |
5.4 |
3.3 |
2.5 |
2.40 |
34.7 |
0.25 |
1.30 |
0.85 |
2.6 |
15.00 |
14.3 |
1.0 |
4.9 |
27.0 |
| 34 | 1.50 |
–0.06 |
36.5 |
0.50 –0.25 |
5.4 |
3.3 |
2.5 |
3.20 |
35.7 |
0.25 |
1.60 |
0.85 |
2.6 |
15.40 |
26.2 |
1.5 |
6.3 |
50.0 |
| 35 | 1.50 |
–0.06 |
37.8 |
0.50 –0.25 |
5.4 |
3.4 |
2.5 |
3.54 |
37.0 |
0.25 |
1.60 |
1.00 |
3.0 |
18.80 |
26.9 |
1.5 |
6.4 |
50.5 |
| 36 | 1.50 |
–0.06 |
38.8 |
0.50 –0.25 |
5.4 |
3.5 |
2.5 |
3.70 |
38.0 |
0.25 |
1.60 |
1.00 |
3.0 |
19.40 |
26.4 |
1.5 |
6.4 |
50.2 |
| 37 | 1.50 |
–0.06 |
39.8 |
0.50 –0.25 |
5.5 |
3.6 |
2.5 |
3.74 |
39.0 |
0.25 |
1.60 |
1.00 |
3.0 |
19.80 |
27.1 |
1.5 |
6.5 |
51.0 |
| 38 | 1.50 |
–0.06 |
40.8 |
0.50 –0.25 |
5.5 |
3.7 |
2.5 |
3.90 |
40.0 |
0.25 |
1.60 |
1.00 |
3.0 |
22.50 |
28.2 |
1.5 |
6.7 |
51.7 |
| 39 | 1.50 |
–0.06 |
42.0 |
0.90 –0.39 |
5.6 |
3.8 |
2.5 |
4.00 |
41.0 |
0.25 |
1.60 |
1.00 |
3.0 |
26.00 |
28.8 |
1.5 |
6.9 |
52.4 |
| 40 | 1.75 |
–0.06 |
43.5 |
0.90 –0.39 |
5.8 |
3.9 |
2.5 |
4.70 |
42.5 |
0.25 |
1.85 |
1.25 |
3.8 |
27.00 |
44.6 |
2.0 |
8.3 |
80.1 |
| 41 | 1.75 |
–0.06 |
44.5 |
0.90 –0.39 |
5.9 |
4.0 |
2.5 |
5.10 |
43.5 |
0.25 |
1.85 |
1.25 |
3.8 |
27.60 |
45.0 |
2.0 |
8.3 |
81.2 |
| 42 | 1.75 |
–0.06 |
45.5 |
0.90 –0.39 |
5.9 |
4.1 |
2.5 |
5.40 |
44.5 |
0.25 |
1.85 |
1.25 |
3.8 |
28.40 |
44.7 |
2.0 |
8.4 |
80.9 |
| 43 | 1.75 |
–0.06 |
46.5 |
0.90 –0.39 |
5.9 |
4.2 |
2.5 |
5.60 |
45.5 |
0.25 |
1.85 |
1.25 |
3.8 |
28.80 |
44.5 |
2.0 |
8.4 |
80.5 |
| 44 | 1.75 |
–0.06 |
47.5 |
0.90 –0.39 |
6.0 |
4.2 |
2.5 |
5.80 |
46.5 |
0.25 |
1.85 |
1.25 |
3.8 |
29.50 |
43.3 |
2.0 |
8.3 |
78.6 |
| 45 | 1.75 |
–0.06 |
48.5 |
0.90 –0.39 |
6.2 |
4.3 |
2.5 |
6.00 |
47.5 |
0.25 |
1.85 |
1.25 |
3.8 |
30.20 |
43.1 |
2.0 |
8.2 |
78.1 |
| 46 | 1.75 |
–0.06 |
49.5 |
0.90 –0.39 |
6.3 |
4.4 |
2.5 |
6.05 |
48.5 |
0.25 |
1.85 |
1.25 |
3.8 |
30.80 |
42.9 |
2.0 |
8.2 |
77.8 |
| 47 | 1.75 |
–0.06 |
50.5 |
1.10 –0.46 |
6.4 |
4.4 |
2.5 |
6.10 |
49.5 |
0.25 |
1.85 |
1.25 |
3.8 |
31.40 |
43.5 |
2.0 |
8.3 |
78.9 |
| 48 | 1.75 |
–0.06 |
51.5 |
1.10 –0.46 |
6.4 |
4.5 |
2.5 |
6.70 |
50.5 |
0.30 |
1.85 |
1.25 |
3.8 |
32.00 |
43.2 |
2.0 |
8.4 |
78.5 |
| 50 | 2.00 |
–0.07 |
54.2 |
1.10 –0.46 |
6.5 |
4.6 |
2.5 |
7.30 |
53.0 |
0.30 |
2.15 |
1.50 |
4.5 |
40.50 |
60.8 |
2.0 |
12.1 |
111.0 |
| 51 | 2.00 |
–0.07 |
55.2 |
1.10 –0.46 |
6.5 |
4.7 |
2.5 |
7.75 |
54.0 |
0.30 |
2.15 |
1.50 |
4.5 |
41.20 |
60.2 |
2.0 |
12.0 |
109.0 |
| 52 | 2.00 |
–0.07 |
56.2 |
1.10 –0.46 |
6.7 |
4.7 |
2.5 |
8.20 |
55.0 |
0.30 |
2.15 |
1.50 |
4.5 |
42.00 |
60.2 |
2.0 |
12.0 |
108.0 |
| 53 | 2.00 |
–0.07 |
57.2 |
1.10 –0.46 |
6.7 |
4.9 |
2.5 |
8.22 |
56.0 |
0.30 |
2.15 |
1.50 |
4.5 |
42.90 |
60.7 |
2.0 |
12.1 |
110.0 |
| 54 | 2.00 |
–0.07 |
58.2 |
1.10 –0.46 |
6.7 |
5.0 |
2.5 |
8.25 |
57.0 |
0.30 |
2.15 |
1.50 |
4.5 |
43.60 |
60.4 |
2.0 |
12.3 |
110.0 |
| 55 | 2.00 |
–0.07 |
59.2 |
1.10 –0.46 |
6.8 |
5.0 |
2.5 |
8.30 |
58.0 |
0.30 |
2.15 |
1.50 |
4.5 |
44.40 |
60.3 |
2.0 |
12.5 |
111.0 |
| 56 | 2.00 |
–0.07 |
60.2 |
1.10 –0.46 |
6.8 |
5.1 |
2.5 |
8.80 |
59.0 |
0.30 |
2.15 |
1.50 |
4.5 |
45.20 |
60.3 |
2.0 |
12.6 |
111.0 |
| 57 | 2.00 |
–0.07 |
61.2 |
1.10 –0.46 |
6.8 |
5.1 |
2.5 |
9.40 |
60.0 |
0.30 |
2.15 |
1.50 |
4.5 |
46.00 |
60.8 |
2.0 |
12.7 |
112.0 |
| 58 | 2.00 |
–0.07 |
62.2 |
1.10 –0.46 |
6.9 |
5.2 |
2.5 |
10.50 |
61.0 |
0.30 |
2.15 |
1.50 |
4.5 |
46.70 |
60.8 |
2.0 |
12.7 |
112.0 |
| 60 | 2.00 |
–0.07 |
64.2 |
1.10 –0.46 |
7.3 |
5.4 |
2.5 |
11.10 |
63.0 |
0.30 |
2.15 |
1.50 |
4.5 |
48.30 |
61.0 |
2.0 |
13.0 |
113.0 |
| 62 | 2.00 |
–0.07 |
66.2 |
1.10 –0.46 |
7.3 |
5.5 |
2.5 |
11.20 |
65.0 |
0.30 |
2.15 |
1.50 |
4.5 |
49.80 |
60.9 |
2.0 |
13.0 |
112.0 |
| 63 | 2.00 |
–0.07 |
67.2 |
1.10 –0.46 |
7.3 |
5.6 |
2.5 |
12.40 |
66.0 |
0.30 |
2.15 |
1.50 |
4.5 |
50.60 |
60.8 |
2.0 |
13.0 |
112.0 |
| 64 | 2.00 |
–0.07 |
68.2 |
1.10 –0.46 |
7.4 |
5.7 |
2.5 |
12.45 |
67.0 |
0.30 |
2.15 |
1.50 |
4.5 |
51.40 |
60.6 |
2.0 |
13.0 |
112.0 |
| 65 | 2.50 |
–0.07 |
69.2 |
1.10 –0.46 |
7.6 |
5.8 |
3.0 |
14.30 |
68.0 |
0.30 |
2.65 |
1.50 |
4.5 |
51.80 |
121.0 |
2.5 |
20.8 |
220.0 |
| 67 | 2.50 |
–0.07 |
71.5 |
1.10 –0.46 |
7.7 |
6.0 |
3.0 |
15.30 |
70.0 |
0.30 |
2.65 |
1.50 |
4.5 |
53.80 |
121.0 |
2.5 |
21.1 |
222.0 |
| 68 | 2.50 |
–0.07 |
72.5 |
1.10 –0.46 |
7.8 |
6.1 |
3.0 |
16.00 |
71.0 |
0.30 |
2.65 |
1.50 |
4.5 |
56.20 |
119.0 |
2.5 |
21.0 |
218.0 |
| 70 | 2.50 |
–0.07 |
74.5 |
1.10 –0.46 |
7.8 |
6.2 |
3.0 |
16.50 |
73.0 |
0.30 |
2.65 |
1.50 |
4.5 |
56.20 |
119.0 |
2.5 |
21.0 |
218.0 |
| 72 | 2.50 |
–0.07 |
76.5 |
1.10 –0.46 |
7.8 |
6.4 |
3.0 |
18.10 |
75.0 |
0.30 |
2.65 |
1.50 |
4.5 |
58.00 |
119.0 |
2.5 |
21.0 |
217.0 |
| 75 | 2.50 |
–0.07 |
79.5 |
1.10 –0.46 |
7.8 |
6.6 |
3.0 |
18.80 |
78.0 |
0.30 |
2.65 |
1.50 |
4.5 |
60.00 |
118.0 |
2.5 |
21.0 |
215.0 |
| 77 | 2.50 |
–0.07 |
82.5 |
1.30 –0.54 |
8.5 |
6.8 |
3.0 |
20.40 |
80.0 |
0.30 |
2.65 |
1.50 |
4.5 |
61.60 |
121.0 |
2.5 |
21.5 |
220.0 |
| 78 | 2.50 |
–0.07 |
82.5 |
1.30 –0.54 |
8.5 |
6.8 |
3.0 |
20.40 |
81.0 |
0.35 |
2.65 |
1.50 |
4.5 |
62.30 |
122.0 |
2.5 |
21.8 |
221.0 |
| 80 | 2.50 |
–0.07 |
85.5 |
1.30 –0.54 |
8.5 |
7.0 |
3.0 |
22.00 |
83.5 |
0.35 |
2.65 |
1.75 |
5.3 |
74.60 |
120.0 |
2.5 |
21.8 |
219.0 |
| 81 | 2.50 |
–0.07 |
86.5 |
1.30 –0.54 |
8.5 |
7.0 |
3.0 |
23.00 |
84.5 |
0.35 |
2.65 |
1.75 |
5.3 |
75.80 |
119.0 |
2.5 |
21.6 |
216.0 |
| 82 | 2.50 |
–0.07 |
87.5 |
1.30 –0.54 |
8.5 |
7.0 |
3.0 |
24.00 |
85.5 |
0.35 |
2.65 |
1.75 |
5.3 |
76.60 |
119.0 |
2.5 |
21.4 |
214.0 |
| 83 | 2.50 |
–0.07 |
88.5 |
1.30 –0.54 |
8.5 |
7.0 |
3.0 |
25.00 |
86.5 |
0.35 |
2.65 |
1.75 |
5.3 |
77.50 |
118.0 |
2.5 |
21.2 |
213.0 |
| 85 | 3.00 |
–0.08 |
90.5 |
1.30 –0.54 |
8.6 |
7.2 |
3.5 |
25.30 |
88.5 |
0.35 |
3.15 |
1.75 |
5.3 |
79.50 |
201.0 |
3.0 |
31.2 |
364.0 |
| 87 | 3.00 |
–0.08 |
93.5 |
1.30 –0.54 |
8.6 |
7.4 |
3.5 |
31.00 |
90.5 |
0.35 |
3.15 |
1.75 |
5.3 |
81.30 |
204.0 |
3.0 |
31.8 |
370.0 |
| 88 | 3.00 |
–0.08 |
93.5 |
1.30 –0.54 |
8.6 |
7.4 |
3.5 |
31.00 |
91.5 |
0.35 |
3.15 |
1.75 |
5.3 |
82.00 |
209.0 |
3.0 |
32.7 |
380.0 |
| 90 | 3.00 |
–0.08 |
95.5 |
1.30 –0.54 |
8.6 |
7.6 |
3.5 |
33.00 |
93.5 |
0.35 |
3.15 |
1.75 |
5.3 |
84.00 |
199.0 |
3.0 |
31.4 |
364.0 |
| 92 | 3.00 |
–0.08 |
97.5 |
1.30 –0.54 |
8.7 |
7.8 |
3.5 |
35.00 |
95.5 |
0.35 |
3.15 |
1.75 |
5.3 |
85.00 |
201.0 |
3.0 |
32.0 |
371.0 |
| 95 | 3.00 |
–0.08 |
100.5 |
1.30 –0.54 |
8.8 |
8.1 |
3.5 |
37.00 |
98.5 |
0.35 |
3.15 |
1.75 |
5.3 |
88.00 |
195.0 |
3.0 |
31.4 |
365.0 |
| 97 | 3.00 |
–0.08 |
103.5 |
1.30 –0.54 |
9.0 |
8.3 |
3.5 |
41.00 |
100.5 |
0.35 |
3.15 |
1.75 |
5.3 |
90.00 |
193.0 |
3.0 |
31.2 |
364.0 |
| 98 | 3.00 |
–0.08 |
103.5 |
1.30 –0.54 |
9.0 |
8.3 |
3.5 |
41.00 |
101.5 |
0.35 |
3.15 |
1.75 |
5.3 |
91.00 |
191.0 |
3.0 |
31.0 |
361.0 |
| 100 | 3.00 |
–0.08 |
105.5 |
1.30 –0.54 |
9.2 |
8.4 |
3.5 |
42.00 |
103.5 |
0.35 |
3.15 |
1.75 |
5.3 |
93.00 |
188.0 |
3.0 |
30.8 |
359.0 |
| 102 | 4.00 |
–0.10 |
108.0 |
1.30 –0.54 |
9.5 |
8.5 |
3.5 |
55.00 |
106.0 |
0.54 |
4.15 |
2.00 |
6.0 |
108.00 |
439.0 |
3.0 |
72.6 |
846.0 |
| 105 | 4.00 |
–0.10 |
112.0 |
1.30 –0.54 |
9.5 |
8.7 |
3.5 |
56.00 |
109.0 |
0.54 |
4.15 |
2.00 |
6.0 |
112.00 |
436.0 |
3.0 |
73.0 |
850.0 |
| 107 | 4.00 |
–0.10 |
115.0 |
1.30 –0.54 |
9.5 |
8.9 |
3.5 |
60.00 |
111.0 |
0.54 |
4.15 |
2.00 |
6.0 |
114.00 |
425.0 |
3.0 |
71.6 |
834.0 |
| 108 | 4.00 |
–0.10 |
115.0 |
1.30 –0.54 |
9.5 |
8.9 |
3.5 |
60.00 |
112.0 |
0.54 |
4.15 |
2.00 |
6.0 |
115.00 |
419.0 |
3.0 |
71.0 |
825.0 |
| 110 | 4.00 |
–0.10 |
117.0 |
1.30 –0.54 |
10.4 |
9.0 |
3.5 |
64.50 |
114.0 |
0.54 |
4.15 |
2.00 |
6.0 |
117.00 |
415.0 |
3.0 |
71.0 |
824.0 |
| 112 | 4.00 |
–0.10 |
119.0 |
1.30 –0.54 |
10.5 |
9.1 |
3.5 |
72.00 |
116.0 |
0.54 |
4.15 |
2.00 |
6.0 |
119.00 |
418.0 |
3.0 |
72.0 |
837.0 |
| 115 | 4.00 |
–0.10 |
122.0 |
1.50 –0.63 |
10.5 |
9.3 |
3.5 |
74.50 |
119.0 |
0.54 |
4.15 |
2.00 |
6.0 |
122.00 |
409.0 |
3.0 |
71.2 |
829.0 |
| 117 | 4.00 |
–0.10 |
125.0 |
1.50 –0.63 |
10.7 |
9.6 |
3.5 |
75.50 |
121.0 |
0.63 |
4.15 |
2.00 |
6.0 |
124.00 |
399.0 |
3.0 |
70.0 |
814.0 |
| 118 | 4.00 |
–0.10 |
125.0 |
1.50 –0.63 |
10.7 |
9.6 |
3.5 |
75.50 |
122.0 |
0.63 |
4.15 |
2.00 |
6.0 |
125.00 |
394.0 |
3.0 |
69.3 |
807.0 |
| 120 | 4.00 |
–0.10 |
127.0 |
1.50 –0.63 |
11.0 |
9.7 |
3.5 |
77.00 |
124.0 |
0.63 |
4.15 |
2.00 |
6.0 |
127.00 |
396.0 |
3.0 |
70.0 |
818.0 |
| 122 | 4.00 |
–0.10 |
129.0 |
1.50 –0.63 |
11.0 |
9.8 |
4.0 |
78.00 |
126.0 |
0.63 |
4.15 |
2.00 |
6.0 |
129.00 |
399.0 |
3.0 |
71.0 |
829.0 |
| 125 | 4.00 |
–0.10 |
132.0 |
1.50 –0.63 |
11.0 |
10.0 |
4.0 |
79.00 |
129.0 |
0.63 |
4.15 |
2.00 |
6.0 |
132.00 |
385.0 |
3.0 |
70.0 |
809.0 |
| 127 | 4.00 |
–0.10 |
135.0 |
1.50 –0.63 |
11.0 |
10.0 |
4.0 |
81.00 |
131.0 |
0.63 |
4.15 |
2.00 |
6.0 |
135.00 |
383.0 |
3.0 |
70.0 |
808.0 |
| 128 | 4.00 |
–0.10 |
135.0 |
1.50 –0.63 |
11.0 |
10.2 |
4.0 |
81.00 |
132.0 |
0.63 |
4.15 |
2.00 |
6.0 |
136.00 |
378.0 |
3.0 |
69.0 |
802.0 |
| 130 | 4.00 |
–0.10 |
137.0 |
1.50 –0.63 |
11.0 |
10.2 |
4.0 |
82.00 |
134.0 |
0.63 |
4.15 |
2.00 |
6.0 |
138.00 |
374.0 |
3.0 |
69.0 |
801.0 |
| 132 | 4.00 |
–0.10 |
139.0 |
1.50 –0.63 |
11.0 |
10.3 |
4.0 |
83.00 |
136.0 |
0.63 |
4.15 |
2.00 |
6.0 |
140.00 |
366.0 |
3.0 |
68.0 |
789.0 |
| 135 | 4.00 |
–0.10 |
142.0 |
1.50 –0.63 |
11.2 |
10.5 |
4.0 |
84.00 |
139.0 |
0.63 |
4.15 |
2.00 |
6.0 |
143.00 |
358.0 |
3.0 |
67.0 |
781.0 |
| 137 | 4.00 |
–0.10 |
145.0 |
1.50 –0.63 |
11.2 |
10.6 |
4.0 |
86.00 |
141.0 |
0.63 |
4.15 |
2.00 |
6.0 |
145.00 |
356.0 |
3.0 |
67.0 |
780.0 |
| 138 | 4.00 |
–0.10 |
145.0 |
1.50 –0.63 |
11.2 |
10.6 |
4.0 |
86.00 |
142.0 |
0.63 |
4.15 |
2.00 |
6.0 |
146.00 |
352.0 |
3.0 |
66.5 |
775.0 |
| 140 | 4.00 |
–0.10 |
147.0 |
1.50 –0.63 |
11.2 |
10.7 |
4.0 |
87.50 |
144.0 |
0.63 |
4.15 |
2.00 |
6.0 |
148.00 |
350.0 |
3.0 |
66.5 |
775.0 |
| 142 | 4.00 |
–0.10 |
149.0 |
1.50 –0.63 |
11.3 |
10.8 |
4.0 |
89.00 |
146.0 |
0.63 |
4.15 |
2.00 |
6.0 |
150.00 |
342.0 |
3.0 |
65.5 |
764.0 |
| 145 | 4.00 |
–0.10 |
152.0 |
1.50 –0.63 |
11.4 |
10.9 |
4.0 |
93.00 |
149.0 |
0.63 |
4.15 |
2.00 |
6.0 |
153.00 |
336.0 |
3.0 |
65.0 |
757.0 |
| 147 | 4.00 |
–0.10 |
155.0 |
1.50 –0.63 |
11.8 |
11.1 |
4.0 |
100.00 |
151.0 |
0.63 |
4.15 |
2.00 |
6.0 |
156.00 |
336.0 |
3.0 |
65.0 |
757.0 |
| 148 | 4.00 |
–0.10 |
155.0 |
1.50 –0.63 |
11.8 |
11.1 |
4.0 |
100.00 |
152.0 |
0.63 |
4.15 |
2.00 |
6.0 |
157.00 |
331.0 |
3.0 |
64.5 |
753.0 |
| 150 | 4.00 |
–0.10 |
158.0 |
1.50 –0.63 |
12.0 |
11.2 |
4.0 |
105.00 |
155.0 |
0.63 |
4.15 |
2.50 |
7.5 |
191.00 |
326.0 |
3.0 |
64.0 |
748.0 |
| 152 | 4.00 |
–0.10 |
161.0 |
1.50 –0.63 |
12.0 |
11.3 |
4.0 |
106.00 |
157.0 |
0.63 |
4.15 |
2.50 |
7.5 |
202.00 |
326.0 |
3.5 |
55.0 |
747.0 |
| 155 | 4.00 |
–0.10 |
164.0 |
1.50 –0.63 |
12.0 |
11.4 |
4.0 |
107.00 |
160.0 |
0.63 |
4.15 |
2.50 |
7.5 |
206.00 |
324.0 |
3.5 |
55.0 |
743.0 |
| 157 | 4.00 |
–0.10 |
167.0 |
1.50 –0.63 |
12.3 |
11.5 |
4.0 |
109.00 |
162.0 |
0.63 |
4.15 |
2.50 |
7.5 |
208.00 |
328.0 |
3.5 |
55.5 |
752.0 |
| 158 | 4.00 |
–0.10 |
167.0 |
1.50 –0.63 |
12.3 |
11.5 |
4.0 |
109.00 |
163.0 |
0.63 |
4.15 |
2.50 |
7.5 |
210.00 |
326.0 |
3.5 |
55.0 |
747.0 |
| 160 | 4.00 |
–0.10 |
169.0 |
1.50 –0.63 |
13.0 |
11.6 |
4.0 |
110.00 |
165.0 |
0.63 |
4.15 |
2.50 |
7.5 |
212.00 |
321.0 |
3.5 |
54.5 |
737.0 |
| 162 | 4.00 |
–0.10 |
171.5 |
1.50 –0.63 |
13.0 |
11.7 |
4.0 |
118.00 |
167.0 |
0.63 |
4.15 |
2.50 |
7.5 |
215.00 |
321.0 |
3.5 |
54.5 |
736.0 |
| 165 | 4.00 |
–0.10 |
174.5 |
1.50 –0.63 |
13.0 |
11.8 |
4.0 |
125.00 |
170.0 |
0.63 |
4.15 |
2.50 |
7.5 |
219.00 |
319.0 |
3.5 |
54.0 |
732.0 |
| 167 | 4.00 |
–0.10 |
177.5 |
1.50 –0.63 |
13.5 |
12.1 |
4.0 |
135.00 |
172.0 |
0.63 |
4.15 |
2.50 |
7.5 |
221.00 |
355.0 |
3.5 |
60.0 |
814.0 |
| 168 | 4.00 |
–0.10 |
177.5 |
1.50 –0.63 |
13.5 |
12.1 |
4.0 |
135.00 |
173.0 |
0.63 |
4.15 |
2.50 |
7.5 |
223.00 |
353.0 |
3.5 |
60.0 |
810.0 |
| 170 | 4.00 |
–0.10 |
179.5 |
1.50 –0.63 |
13.5 |
12.2 |
4.0 |
140.00 |
175.0 |
0.63 |
4.15 |
2.50 |
7.5 |
225.00 |
349.0 |
3.5 |
59.0 |
800.0 |
| 172 | 4.00 |
–0.10 |
181.5 |
1.70 –0.72 |
13.5 |
12.5 |
4.0 |
145.00 |
177.0 |
0.63 |
4.15 |
2.50 |
7.5 |
228.00 |
357.0 |
3.5 |
60.0 |
818.0 |
| 175 | 4.00 |
–0.10 |
184.5 |
1.70 –0.72 |
13.5 |
12.7 |
4.0 |
150.00 |
180.0 |
0.63 |
4.15 |
2.50 |
7.5 |
232.00 |
351.0 |
3.5 |
59.0 |
804.0 |
| 177 | 4.00 |
–0.10 |
187.5 |
1.70 –0.72 |
14.2 |
12.9 |
4.0 |
162.00 |
182.0 |
0.72 |
4.15 |
2.50 |
7.5 |
235.00 |
346.0 |
3.5 |
58.5 |
794.0 |
| 178 | 4.00 |
–0.10 |
187.5 |
1.70 –0.72 |
14.2 |
12.9 |
4.0 |
162.00 |
183.0 |
0.72 |
4.15 |
2.50 |
7.5 |
236.00 |
344.0 |
3.5 |
58.0 |
789.0 |
| 180 | 4.00 |
–0.10 |
189.5 |
1.70 –0.72 |
14.2 |
13.2 |
4.0 |
165.00 |
185.0 |
0.72 |
4.15 |
2.50 |
7.5 |
238.00 |
347.0 |
3.5 |
58.5 |
796.0 |
| 182 | 4.00 |
–0.10 |
191.5 |
1.70 –0.72 |
14.2 |
13.5 |
4.0 |
168.00 |
187.0 |
0.72 |
4.15 |
2.50 |
7.5 |
241.00 |
355.0 |
3.5 |
60.0 |
814.0 |
| 185 | 4.00 |
–0.10 |
194.5 |
1.70 –0.72 |
14.2 |
13.7 |
4.0 |
170.00 |
190.0 |
0.72 |
4.15 |
2.50 |
7.5 |
245.00 |
349.0 |
3.5 |
59.0 |
800.0 |
| 187 | 4.00 |
–0.10 |
197.5 |
1.70 –0.72 |
14.2 |
13.8 |
4.0 |
174.00 |
192.0 |
0.72 |
4.15 |
2.50 |
7.5 |
248.00 |
345.0 |
3.5 |
58.5 |
792.0 |
| 188 | 4.00 |
–0.10 |
197.5 |
1.70 –0.72 |
14.2 |
13.8 |
4.0 |
174.00 |
193.0 |
0.72 |
4.15 |
2.50 |
7.5 |
249.00 |
343.0 |
3.5 |
58.0 |
786.0 |
| 190 | 4.00 |
–0.10 |
199.5 |
1.70 –0.72 |
14.2 |
13.8 |
4.0 |
175.00 |
195.0 |
0.72 |
4.15 |
2.50 |
7.5 |
251.00 |
340.0 |
3.5 |
57.5 |
779.0 |
| 192 | 4.00 |
–0.10 |
201.5 |
1.70 –0.72 |
14.2 |
13.8 |
4.0 |
178.00 |
197.0 |
0.72 |
4.15 |
2.50 |
7.5 |
254.00 |
336.0 |
3.5 |
57.0 |
770.0 |
| 195 | 4.00 |
–0.10 |
204.5 |
1.70 –0.72 |
14.2 |
13.8 |
4.0 |
183.00 |
200.0 |
0.72 |
4.15 |
2.50 |
7.5 |
258.00 |
330.0 |
3.5 |
55.5 |
756.0 |
| 197 | 4.00 |
–0.10 |
207.5 |
1.70 –0.72 |
14.2 |
14.0 |
4.0 |
190.00 |
202.0 |
0.72 |
4.15 |
2.50 |
7.5 |
260.00 |
330.0 |
3.5 |
55.5 |
756.0 |
| 198 | 4.00 |
–0.10 |
207.5 |
1.70 –0.72 |
14.2 |
14.0 |
4.0 |
190.00 |
203.0 |
0.72 |
4.15 |
2.50 |
7.5 |
262.00 |
329.0 |
3.5 |
55.5 |
754.0 |
| 200 | 4.00 |
–0.10 |
209.5 |
1.70 –0.72 |
14.2 |
14.0 |
4.0 |
195.00 |
205.0 |
0.72 |
4.15 |
2.50 |
7.5 |
265.00 |
325.0 |
3.5 |
55.0 |
745.0 |
| 202 | 5.00 |
–0.12 |
214.0 |
1.70 –0.72 |
14.2 |
14.0 |
4.0 |
210.00 |
208.0 |
0.72 |
5.15 |
3.00 |
9.0 |
321.00 |
625.0 |
4.0 |
92.5 |
1432.0 |
| 205 | 5.00 |
–0.12 |
217.0 |
1.70 –0.72 |
14.2 |
14.0 |
4.0 |
225.00 |
211.0 |
0.72 |
5.15 |
3.00 |
9.0 |
326.00 |
616.0 |
4.0 |
91.5 |
1411.0 |
| 207 | 5.00 |
–0.12 |
217.0 |
1.70 –0.72 |
14.2 |
14.0 |
4.0 |
225.00 |
213.0 |
0.72 |
5.15 |
3.00 |
9.0 |
329.00 |
610.0 |
4.0 |
90.0 |
1399.0 |
| 208 | 5.00 |
–0.12 |
222.0 |
1.70 –0.72 |
14.2 |
14.0 |
4.0 |
270.00 |
214.0 |
0.72 |
5.15 |
3.00 |
9.0 |
331.00 |
607.0 |
4.0 |
90.0 |
1392.0 |
| 210 | 5.00 |
–0.12 |
222.0 |
1.70 –0.72 |
14.2 |
14.0 |
4.0 |
270.00 |
216.0 |
0.72 |
5.15 |
3.00 |
9.0 |
333.00 |
601.0 |
4.0 |
89.5 |
1378.0 |
| 212 | 5.00 |
–0.12 |
222.0 |
1.70 –0.72 |
14.2 |
14.0 |
4.0 |
270.00 |
218.0 |
0.72 |
5.15 |
3.00 |
9.0 |
337.00 |
596.0 |
4.0 |
88.5 |
1367.0 |
| 215 | 5.00 |
–0.12 |
227.0 |
1.70 –0.72 |
14.2 |
14.0 |
4.0 |
300.00 |
221.0 |
0.72 |
5.15 |
3.00 |
9.0 |
341.00 |
586.0 |
4.0 |
87.0 |
1343.0 |
| 217 | 5.00 |
–0.12 |
227.0 |
1.70 –0.72 |
14.2 |
14.0 |
4.0 |
300.00 |
223.0 |
0.72 |
5.15 |
3.00 |
9.0 |
345.00 |
581.0 |
4.0 |
86.0 |
1331.0 |
| 218 | 5.00 |
–0.12 |
232.0 |
1.70 –0.72 |
14.2 |
14.0 |
4.0 |
315.00 |
224.0 |
0.72 |
5.15 |
3.00 |
9.0 |
346.00 |
580.0 |
4.0 |
86.0 |
1329.0 |
| 220 | 5.00 |
–0.12 |
232.0 |
1.70 –0.72 |
14.2 |
14.0 |
4.0 |
315.00 |
226.0 |
0.72 |
5.15 |
3.00 |
9.0 |
349.00 |
574.0 |
4.0 |
85.0 |
1316.0 |
| 222 | 5.00 |
–0.12 |
232.0 |
1.70 –0.72 |
14.2 |
14.0 |
4.0 |
315.00 |
228.0 |
0.72 |
5.15 |
3.00 |
9.0 |
353.00 |
568.0 |
4.0 |
84.0 |
1303.0 |
| 225 | 5.00 |
–0.12 |
237.0 |
1.70 –0.72 |
14.2 |
14.0 |
4.0 |
323.00 |
231.0 |
0.72 |
5.15 |
3.00 |
9.0 |
357.00 |
560.0 |
4.0 |
83.0 |
1283.0 |
| 227 | 5.00 |
–0.12 |
237.0 |
1.70 –0.72 |
14.2 |
14.0 |
4.0 |
323.00 |
233.0 |
0.72 |
5.15 |
3.00 |
9.0 |
361.00 |
555.0 |
4.0 |
82.0 |
1271.0 |
| 228 | 5.00 |
–0.12 |
242.0 |
1.70 –0.72 |
14.2 |
14.0 |
4.0 |
330.00 |
234.0 |
0.72 |
5.15 |
3.00 |
9.0 |
362.00 |
554.0 |
4.0 |
82.0 |
1268.0 |
| 230 | 5.00 |
–0.12 |
242.0 |
1.70 –0.72 |
14.2 |
14.0 |
4.0 |
330.00 |
236.0 |
0.72 |
5.15 |
3.00 |
9.0 |
365.00 |
549.0 |
4.0 |
81.0 |
1259.0 |
| 232 | 5.00 |
–0.12 |
242.0 |
2.00 –0.81 |
14.2 |
14.0 |
4.0 |
330.00 |
238.0 |
0.72 |
5.15 |
3.00 |
9.0 |
369.00 |
544.0 |
4.0 |
80.5 |
1246.0 |
| 235 | 5.00 |
–0.12 |
247.0 |
2.00 –0.81 |
14.2 |
14.0 |
4.0 |
338.00 |
241.0 |
0.72 |
5.15 |
3.00 |
9.0 |
373.00 |
536.0 |
4.0 |
79.5 |
1229.0 |
| 237 | 5.00 |
–0.12 |
247.0 |
2.00 –0.81 |
14.2 |
14.0 |
4.0 |
338.00 |
243.0 |
0.72 |
5.15 |
3.00 |
9.0 |
376.00 |
531.0 |
4.0 |
79.0 |
1217.0 |
| 238 | 5.00 |
–0.12 |
252.0 |
2.00 –0.81 |
14.2 |
14.0 |
4.0 |
345.00 |
244.0 |
0.72 |
5.15 |
3.00 |
9.0 |
378.00 |
530.0 |
4.0 |
79.0 |
1214.0 |
| 240 | 5.00 |
–0.12 |
252.0 |
2.00 –0.81 |
14.2 |
14.0 |
4.0 |
345.00 |
246.0 |
0.72 |
5.15 |
3.00 |
9.0 |
380.00 |
525.0 |
4.0 |
77.5 |
1204.0 |
| 242 | 5.00 |
–0.12 |
252.0 |
2.00 –0.81 |
14.2 |
14.0 |
4.0 |
345.00 |
248.0 |
0.81 |
5.15 |
3.00 |
9.0 |
385.00 |
521.0 |
4.0 |
77.0 |
1194.0 |
| 245 | 5.00 |
–0.12 |
257.0 |
2.00 –0.81 |
14.2 |
14.0 |
4.0 |
353.00 |
251.0 |
0.81 |
5.15 |
3.00 |
9.0 |
389.00 |
514.0 |
4.0 |
76.5 |
1178.0 |
| 247 | 5.00 |
–0.12 |
257.0 |
2.00 –0.81 |
14.2 |
14.0 |
4.0 |
353.00 |
253.0 |
0.81 |
5.15 |
3.00 |
9.0 |
392.00 |
509.0 |
4.0 |
76.0 |
1167.0 |
| 248 | 5.00 |
–0.12 |
262.0 |
2.00 –0.81 |
14.2 |
14.0 |
4.0 |
360.00 |
254.0 |
0.81 |
5.15 |
3.00 |
9.0 |
394.00 |
507.0 |
4.0 |
75.5 |
1163.0 |
| 250 | 5.00 |
–0.12 |
262.0 |
2.00 –0.81 |
14.2 |
14.0 |
4.0 |
360.00 |
256.0 |
0.81 |
5.15 |
3.00 |
9.0 |
396.00 |
504.0 |
4.0 |
75.0 |
1155.0 |
| 252 | 5.00 |
–0.12 |
262.0 |
2.00 –0.81 |
14.2 |
16.0 |
5.0 |
360.00 |
260.0 |
0.81 |
5.15 |
4.00 |
12.0 |
535.00 |
557.0 |
4.0 |
83.0 |
1277.0 |
| 255 | 5.00 |
–0.12 |
270.0 |
2.00 –0.81 |
16.2 |
16.0 |
5.0 |
368.00 |
263.0 |
0.81 |
5.15 |
4.00 |
12.0 |
541.00 |
549.0 |
4.0 |
81.5 |
1259.0 |
| 257 | 5.00 |
–0.12 |
270.0 |
2.00 –0.81 |
16.2 |
16.0 |
5.0 |
368.00 |
265.0 |
0.81 |
5.15 |
4.00 |
12.0 |
546.00 |
545.0 |
4.0 |
81.0 |
1249.0 |
| 258 | 5.00 |
–0.12 |
275.0 |
2.00 –0.81 |
16.2 |
16.0 |
5.0 |
375.00 |
266.0 |
0.81 |
5.15 |
4.00 |
12.0 |
548.00 |
543.0 |
4.0 |
80.5 |
1244.0 |
| 260 | 5.00 |
–0.12 |
275.0 |
2.00 –0.81 |
16.2 |
16.0 |
5.0 |
375.00 |
268.0 |
0.81 |
5.15 |
4.00 |
12.0 |
553.00 |
538.0 |
4.0 |
80.0 |
1234.0 |
| 262 | 5.00 |
–0.12 |
275.0 |
2.00 –0.81 |
16.2 |
16.0 |
5.0 |
375.00 |
270.0 |
0.81 |
5.15 |
4.00 |
12.0 |
556.00 |
535.0 |
4.0 |
79.0 |
1227.0 |
| 265 | 5.00 |
–0.12 |
280.0 |
2.00 –0.81 |
16.2 |
16.0 |
5.0 |
383.00 |
273.0 |
0.81 |
5.15 |
4.00 |
12.0 |
563.00 |
528.0 |
4.0 |
78.5 |
1210.0 |
| 267 | 5.00 |
–0.12 |
280.0 |
2.00 –0.81 |
16.2 |
16.0 |
5.0 |
383.00 |
275.0 |
0.81 |
5.15 |
4.00 |
12.0 |
566.00 |
524.0 |
4.0 |
78.0 |
1201.0 |
| 268 | 5.00 |
–0.12 |
285.0 |
2.00 –0.81 |
16.2 |
16.0 |
5.0 |
388.00 |
276.0 |
0.81 |
5.15 |
4.00 |
12.0 |
570.00 |
522.0 |
4.0 |
77.5 |
1196.0 |
| 270 | 5.00 |
–0.12 |
285.0 |
2.00 –0.81 |
16.2 |
16.0 |
5.0 |
388.00 |
278.0 |
0.81 |
5.15 |
4.00 |
12.0 |
573.00 |
518.0 |
4.0 |
77.0 |
1188.0 |
| 272 | 5.00 |
–0.12 |
285.0 |
2.00 –0.81 |
16.2 |
16.0 |
5.0 |
388.00 |
280.0 |
0.81 |
5.15 |
4.00 |
12.0 |
577.00 |
515.0 |
4.0 |
76.5 |
1180.0 |
| 275 | 5.00 |
–0.12 |
290.0 |
2.00 –0.81 |
16.2 |
16.0 |
5.0 |
393.00 |
283.0 |
0.81 |
5.15 |
4.00 |
12.0 |
585.00 |
509.0 |
4.0 |
75.5 |
1167.0 |
| 277 | 5.00 |
–0.12 |
290.0 |
2.00 –0.81 |
16.2 |
16.0 |
5.0 |
393.00 |
285.0 |
0.81 |
5.15 |
4.00 |
12.0 |
587.00 |
505.0 |
4.0 |
75.0 |
1158.0 |
| 278 | 5.00 |
–0.12 |
295.0 |
2.00 –0.81 |
16.2 |
16.0 |
5.0 |
400.00 |
286.0 |
0.81 |
5.15 |
4.00 |
12.0 |
590.00 |
504.0 |
4.0 |
75.0 |
1154.0 |
| 280 | 5.00 |
–0.12 |
295.0 |
2.00 –0.81 |
16.2 |
16.0 |
5.0 |
400.00 |
288.0 |
0.81 |
5.15 |
4.00 |
12.0 |
593.00 |
499.0 |
4.0 |
74.0 |
1145.0 |
| 282 | 5.00 |
–0.12 |
295.0 |
2.00 –0.81 |
16.2 |
16.0 |
5.0 |
400.00 |
290.0 |
0.81 |
5.15 |
4.00 |
12.0 |
599.00 |
497.0 |
4.0 |
74.0 |
1138.0 |
| 285 | 5.00 |
–0.12 |
300.0 |
2.00 –0.81 |
16.2 |
16.0 |
5.0 |
408.00 |
293.0 |
0.81 |
5.15 |
4.00 |
12.0 |
605.00 |
491.0 |
4.0 |
73.0 |
1124.0 |
| 287 | 5.00 |
–0.12 |
300.0 |
2.00 –0.81 |
16.2 |
16.0 |
5.0 |
408.00 |
295.0 |
0.81 |
5.15 |
4.00 |
12.0 |
610.00 |
487.0 |
4.0 |
72.0 |
1117.0 |
| 288 | 5.00 |
–0.12 |
305.0 |
2.00 –0.81 |
16.2 |
16.0 |
5.0 |
415.00 |
296.0 |
0.81 |
5.15 |
4.00 |
12.0 |
611.00 |
485.0 |
4.0 |
72.0 |
1111.0 |
| 290 | 5.00 |
–0.12 |
305.0 |
2.00 –0.81 |
16.2 |
16.0 |
5.0 |
415.00 |
298.0 |
0.81 |
5.15 |
4.00 |
12.0 |
615.00 |
482.0 |
4.0 |
71.5 |
1104.0 |
| 292 | 5.00 |
–0.12 |
305.0 |
2.00 –0.81 |
16.2 |
16.0 |
5.0 |
415.00 |
300.0 |
0.81 |
5.15 |
4.00 |
12.0 |
620.00 |
479.0 |
4.0 |
71.0 |
1098.0 |
| 295 | 5.00 |
–0.12 |
310.0 |
2.00 –0.81 |
16.2 |
16.0 |
5.0 |
426.00 |
303.0 |
0.81 |
5.15 |
4.00 |
12.0 |
625.00 |
474.0 |
4.0 |
70.5 |
1087.0 |
| 297 | 5.00 |
–0.12 |
310.0 |
2.00 –0.81 |
16.2 |
16.0 |
5.0 |
426.00 |
305.0 |
0.81 |
5.15 |
4.00 |
12.0 |
630.00 |
471.0 |
4.0 |
70.5 |
1079.0 |
| 298 | 5.00 |
–0.12 |
315.0 |
2.00 –0.81 |
16.2 |
16.0 |
5.0 |
435.00 |
306.0 |
0.81 |
5.15 |
4.00 |
12.0 |
631.00 |
469.0 |
4.0 |
69.5 |
1075.0 |
| 300 | 5.00 |
–0.12 |
315.0 |
2.00 –0.81 |
16.2 |
16.0 |
5.0 |
435.00 |
308.0 |
0.81 |
5.15 |
4.00 |
12.0 |
636.00 |
466.0 |
4.0 |
69.0 |
1068.0 |
| 305 | 6.00 |
–0.15 |
322.0 |
2.00 –0.90 |
|
16(20) |
6.0 |
755.00 |
315.0 |
0.81 |
6.20 |
5.00 |
15.0 |
810.00 |
961.0 |
5.0 |
114.0 |
2202.0 |
| 310 | 6.00 |
–0.15 |
327.0 |
2.00 –0.90 |
|
16(20) |
6.0 |
770.00 |
320.0 |
0.89 |
6.20 |
5.00 |
15.0 |
823.00 |
947.0 |
5.0 |
113.0 |
2169.0 |
| 315 | 6.00 |
–0.15 |
332.0 |
2.00 –0.90 |
|
16(20) |
6.0 |
785.00 |
325.0 |
0.89 |
6.20 |
5.00 |
15.0 |
837.00 |
934.0 |
5.0 |
111.0 |
2140.0 |
| 320 | 6.00 |
–0.15 |
337.0 |
2.00 –0.90 |
|
16(20) |
6.0 |
800.00 |
330.0 |
0.89 |
6.20 |
5.00 |
15.0 |
850.00 |
919.0 |
5.0 |
109.0 |
2105.0 |
| 325 | 6.00 |
–0.15 |
342.0 |
2.00 –0.90 |
|
16(20) |
6.0 |
810.00 |
335.0 |
0.89 |
6.20 |
5.00 |
15.0 |
864.00 |
906.0 |
5.0 |
108.0 |
2076.0 |
| 330 | 6.00 |
–0.15 |
347.0 |
2.00 –0.90 |
|
16(20) |
6.0 |
820.00 |
340.0 |
0.89 |
6.20 |
5.00 |
15.0 |
876.00 |
894.0 |
5.0 |
106.0 |
2048.0 |
| 335 | 6.00 |
–0.15 |
352.0 |
2.00 –0.90 |
|
16(20) |
6.0 |
830.00 |
345.0 |
0.89 |
6.20 |
5.00 |
15.0 |
890.00 |
880.0 |
5.0 |
105.0 |
2017.0 |
| 340 | 6.00 |
–0.15 |
357.0 |
2.00 –0.90 |
|
16(20) |
6.0 |
840.00 |
350.0 |
0.89 |
6.20 |
5.00 |
15.0 |
903.00 |
869.0 |
5.0 |
104.0 |
1991.0 |
| 345 | 6.00 |
–0.15 |
362.0 |
2.00 –0.90 |
|
16(20) |
6.0 |
855.00 |
355.0 |
0.89 |
6.20 |
5.00 |
15.0 |
916.00 |
857.0 |
5.0 |
102.0 |
1964.0 |
| 350 | 6.00 |
–0.15 |
367.0 |
2.00 –0.90 |
|
16(20) |
6.0 |
870.00 |
360.0 |
0.89 |
6.20 |
5.00 |
15.0 |
929.00 |
846.0 |
5.0 |
101.0 |
1938.0 |
| 355 | 6.00 |
–0.15 |
372.0 |
2.00 –0.90 |
|
16(20) |
6.0 |
880.00 |
365.0 |
0.89 |
6.20 |
5.00 |
15.0 |
942.00 |
834.0 |
5.0 |
99.0 |
1910.0 |
| 360 | 6.00 |
–0.15 |
377.0 |
2.00 –0.90 |
|
16(20) |
6.0 |
890.00 |
370.0 |
0.89 |
6.20 |
5.00 |
15.0 |
955.00 |
823.0 |
5.0 |
98.0 |
1886.0 |
| 365 | 6.00 |
–0.15 |
382.0 |
2.00 –0.90 |
|
16(20) |
6.0 |
906.00 |
375.0 |
0.89 |
6.20 |
5.00 |
15.0 |
968.00 |
813.0 |
5.0 |
97.0 |
1862.0 |
| 370 | 6.00 |
–0.15 |
387.0 |
2.00 –0.90 |
|
16(20) |
6.0 |
920.00 |
380.0 |
0.89 |
6.20 |
5.00 |
15.0 |
981.00 |
803.0 |
5.0 |
95.0 |
1839.0 |
| 375 | 6.00 |
–0.15 |
392.0 |
2.00 –0.90 |
|
16(20) |
6.0 |
932.00 |
385.0 |
0.89 |
6.20 |
5.00 |
15.0 |
994.00 |
793.0 |
5.0 |
94.0 |
1817.0 |
| 380 | 6.00 |
–0.15 |
397.0 |
2.00 –0.90 |
|
16(20) |
6.0 |
940.00 |
390.0 |
0.89 |
6.20 |
5.00 |
15.0 |
1008.00 |
784.0 |
5.0 |
93.0 |
1796.0 |
| 385 | 6.00 |
–0.15 |
402.0 |
2.00 –1.00 |
|
16(20) |
6.0 |
950.00 |
395.0 |
0.89 |
6.20 |
5.00 |
15.0 |
1021.00 |
774.0 |
5.0 |
92.0 |
1774.0 |
| 390 | 6.00 |
–0.15 |
407.0 |
2.00 –1.00 |
|
16(20) |
6.0 |
960.00 |
400.0 |
0.89 |
6.20 |
5.00 |
15.0 |
1033.00 |
764.0 |
5.0 |
91.0 |
1751.0 |
| 395 | 6.00 |
–0.15 |
412.0 |
2.00 –1.00 |
|
16(20) |
6.0 |
972.00 |
405.0 |
1.00 |
6.20 |
5.00 |
15.0 |
1047.00 |
756.0 |
5.0 |
90.0 |
1732.0 |
| 400 | 6.00 |
–0.15 |
417.0 |
2.00 –1.00 |
|
16(20) |
6.0 |
980.00 |
410.0 |
1.00 |
6.20 |
5.00 |
15.0 |
1060.00 |
746.0 |
5.0 |
89.0 |
1710.0 |
| 410 | 7.00 |
–0.15 |
430.0 |
2.00 –1.00 |
|
23(26) |
6.0 |
1380.00 |
422.0 |
1.00 |
7.20 |
6.00 |
18.0 |
1307.00 |
1512.0 |
6.0 |
150.0 |
3463.0 |
| 420 | 7.00 |
–0.15 |
440.0 |
2.00 –1.00 |
|
23(26) |
6.0 |
1410.00 |
432.0 |
1.00 |
7.20 |
6.00 |
18.0 |
1338.00 |
1480.0 |
6.0 |
147.0 |
3391.0 |
| 430 | 7.00 |
–0.15 |
450.0 |
2.00 –1.00 |
|
23(26) |
6.0 |
1440.00 |
442.0 |
1.00 |
7.20 |
6.00 |
18.0 |
1369.00 |
1446.0 |
6.0 |
144.0 |
3312.0 |
| 440 | 7.00 |
–0.15 |
460.0 |
2.00 –1.00 |
|
23(26) |
6.0 |
1470.00 |
452.0 |
1.00 |
7.20 |
6.00 |
18.0 |
1401.00 |
1418.0 |
6.0 |
141.0 |
3248.0 |
| 450 | 7.00 |
–0.15 |
470.0 |
2.00 –1.00 |
|
23(26) |
6.0 |
1510.00 |
462.0 |
1.00 |
7.20 |
6.00 |
18.0 |
1431.00 |
1388.0 |
6.0 |
138.0 |
3180.0 |
| 460 | 7.00 |
–0.15 |
480.0 |
2.00 –1.00 |
|
23(26) |
6.0 |
1550.00 |
472.0 |
1.00 |
7.20 |
6.00 |
18.0 |
1464.00 |
1360.0 |
6.0 |
135.0 |
3116.0 |
| 470 | 7.00 |
–0.15 |
490.0 |
2.00 –1.00 |
|
23(26) |
6.0 |
1595.00 |
482.0 |
1.00 |
7.20 |
6.00 |
18.0 |
1495.00 |
1330.0 |
6.0 |
132.0 |
3048.0 |
| 480 | 7.00 |
–0.15 |
500.0 |
2.00 –1.00 |
|
23(26) |
6.0 |
1640.00 |
492.0 |
1.00 |
7.20 |
6.00 |
18.0 |
1526.00 |
1306.0 |
6.0 |
130.0 |
2991.0 |
| 490 | 7.00 |
–0.15 |
510.0 |
3.00 –1.50 |
|
23(26) |
6.0 |
1685.00 |
502.0 |
1.00 |
7.20 |
6.00 |
18.0 |
1558.00 |
1280.0 |
6.0 |
127.0 |
2931.0 |
| 500 | 7.00 |
–0.15 |
520.0 |
3.00 –1.50 |
|
23(26) |
6.0 |
1730.00 |
512.0 |
1.00 |
7.20 |
6.00 |
18.0 |
1588.00 |
1256.0 |
6.0 |
125.0 |
2878.0 |
| 510 | 8.00 |
–0.15 |
535.0 |
3.00 –1.50 |
|
23(26) |
6.0 |
2250.00 |
524.0 |
1.00 |
8.20 |
7.00 |
21.0 |
1894.00 |
1834.0 |
7.0 |
156.0 |
4201.0 |
| 520 | 8.00 |
–0.15 |
545.0 |
3.00 –1.50 |
|
23(26) |
6.0 |
2290.00 |
534.0 |
1.00 |
8.20 |
7.00 |
21.0 |
1931.00 |
1802.0 |
7.0 |
153.0 |
4128.0 |
| 530 | 8.00 |
–0.15 |
555.0 |
3.00 –1.50 |
|
23(26) |
6.0 |
2335.00 |
544.0 |
1.00 |
8.20 |
7.00 |
21.0 |
1968.00 |
1768.0 |
7.0 |
150.0 |
4049.0 |
| 540 | 8.00 |
–0.15 |
565.0 |
3.00 –1.50 |
|
23(26) |
6.0 |
2380.00 |
554.0 |
1.00 |
8.20 |
7.00 |
21.0 |
2004.00 |
1738.0 |
7.0 |
148.0 |
3981.0 |
| 550 | 8.00 |
–0.15 |
575.0 |
3.00 –1.50 |
|
23(26) |
6.0 |
2430.00 |
564.0 |
1.00 |
8.20 |
7.00 |
21.0 |
2041.00 |
1711.0 |
7.0 |
145.0 |
3919.0 |
| 560 | 8.00 |
–0.15 |
585.0 |
3.00 –1.50 |
|
23(26) |
6.0 |
2495.00 |
574.0 |
1.00 |
8.20 |
7.00 |
21.0 |
2078.00 |
1682.0 |
7.0 |
143.0 |
3852.0 |
| 570 | 8.00 |
–0.15 |
595.0 |
3.00 –1.50 |
|
23(26) |
6.0 |
2560.00 |
584.0 |
1.00 |
8.20 |
7.00 |
21.0 |
2114.00 |
1650.0 |
7.0 |
141.0 |
3790.0 |
| 580 | 8.00 |
–0.15 |
605.0 |
3.00 –1.50 |
|
23(26) |
6.0 |
2625.00 |
594.0 |
1.00 |
8.20 |
7.00 |
21.0 |
2151.00 |
1627.0 |
7.0 |
138.0 |
3728.0 |
| 590 | 8.00 |
–0.15 |
615.0 |
3.00 –1.50 |
|
23(26) |
6.0 |
2700.00 |
604.0 |
1.00 |
8.20 |
7.00 |
21.0 |
2188.00 |
1601.0 |
7.0 |
136.0 |
3668.0 |
| 600 | 8.00 |
–0.15 |
625.0 |
3.00 –1.50 |
|
23(26) |
6.0 |
2770.00 |
614.0 |
1.00 |
8.20 |
7.00 |
21.0 |
2221.00 |
1571.0 |
7.0 |
134.0 |
3598.0 |
| 650 | 9.00 |
–0.20 |
680.0 |
3.00 –1.50 |
|
23(34) |
6.0 |
3600.00 |
666.0 |
1.00 |
9.30 |
8.00 |
24.0 |
2753.00 |
2654.0 |
7.0 |
226.0 |
6078.0 |
| 700 | 9.00 |
–0.20 |
730.0 |
4.00 –2.00 |
|
23(34) |
6.0 |
4120.00 |
716.0 |
1.00 |
9.30 |
8.00 |
24.0 |
2966.00 |
2471.0 |
7.0 |
210.0 |
5661.0 |
| 750 | 9.00 |
–0.20 |
785.0 |
4.00 –2.00 |
|
23(34) |
9.0 |
4540.00 |
768.0 |
1.00 |
9.30 |
9.00 |
27.0 |
3566.00 |
2310.0 |
7.0 |
196.0 |
5285.0 |
| 800 | 9.00 |
–0.20 |
835.0 |
4.00 –2.00 |
|
23(34) |
9.0 |
5450.00 |
818.0 |
1.00 |
9.30 |
9.00 |
27.0 |
3800.00 |
2176.0 |
7.0 |
184.0 |
4980.0 |
| 850 | 9.00 |
–0.20 |
890.0 |
4.00 –2.00 |
|
23(34) |
9.0 |
5990.00 |
870.0 |
1.00 |
9.30 |
10.00 |
30.0 |
4500.00 |
2045.0 |
7.0 |
173.0 |
4680.0 |
| 900 | 9.00 |
–0.20 |
940.0 |
4.00 –2.00 |
|
23(34) |
9.0 |
6740.00 |
920.0 |
1.00 |
9.30 |
10.00 |
30.0 |
4766.00 |
1938.0 |
7.0 |
164.0 |
4435.0 |
| 950 | 9.00 |
–0.20 |
1000.0 |
4.00 –2.00 |
|
23(34) |
9.0 |
7930.00 |
972.0 |
1.00 |
9.30 |
11.00 |
33.0 |
5608.00 |
1840.0 |
7.0 |
156.0 |
4210.0 |
| 1000 | 9.00 |
–0.20 |
1050.0 |
4.00 –2.00 |
|
23(34) |
9.0 |
8880.00 |
1022.0 |
1.00 |
9.30 |
11.00 |
33.0 |
5825.00 |
1752.0 |
7.0 |
148.0 |
4010.0 |
非標準スタンピング部品とは何か、またそれが必要となる場合 非標準スタンピング部品 は、スタンピングプロセス(金型とパンチを使用して金属シートを特定の形状にプレスする)を通じて製造される精密金属コンポーネントであり、カタログや既製の製品では満たすことができない要件を満たすために、形状、寸法、機能的特徴がカスタム設計されています。標準のスタンピング部品との違いは、単にサイズの違いだ...
外部サークリップは、機械工学において最も信頼性が高く、コスト効率の高い締結具の 1 つです。自動車のギアボックスから産業用コンベヤ システムに至るまで、あらゆるものに使用されており、シャフト上のコンポーネントの軸方向の動きを防ぐためのコンパクトなソリューションを提供します。しかし、その単純さにもかかわらず、不適切な取り付けまたは取り外しは、それらを使用するアセンブリでコンポーネントが早期に故障する最も一般的な原因の 1 つです。こ...
スナップリングの中心的な機能を理解する スナップリング 止め輪またはサークリップと呼ばれることが多いこの部品は、非常に特殊な機械的目的を果たします。つまり、精密アセンブリ内の半径方向の隙間を維持しながら、軸方向の動きを制限します。ネジ留め具や溶接継手とは異なり、これらのコンポーネントは弾性変形に依存して機械加工された溝内に固定されます。取り付けられると、リングは制御された膨張または圧縮を受け、リングを溝の壁にしっ...
非標準のプレス部品製造におけるエンジニアリング精度 非標準スタンピング部品は、従来の仕様から逸脱するコンポーネントを必要とする業界にとって重要な製造ソリューションです。大量生産の標準部品とは異なり、これらのカスタム設計コンポーネントは、特殊なダイとパンチを使用して金属シートを精密に成形する、カスタマイズされたスタンピングプロセスを経て、独自の形状、公差、および機能的特徴を実現します。生産ワークフローは、詳細な CAD 図面や...
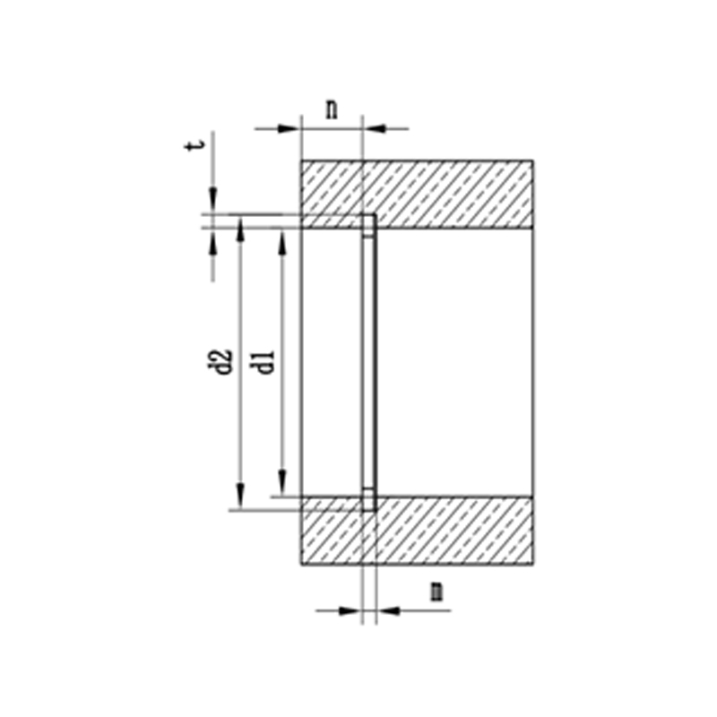
DIN 472の役割は、円形の穴に安全な軸方向の位置を確保するための役割
DIN 472 Standardは、円形の穴内の前処理された溝に設置されている内部サークリップの仕様を定義します。これらのサークリップは、溝の壁に対して制御された放射状の力を発揮することにより、安全な適合を提供するように設計されています。それらの主な機能は、シャフトまたは穴の内側にコンポーネントを軸に保持し、動作中の不要な動きを防ぐことです。
シャフトの外面に取り付けられている外部サークリップとは異なり、DIN 472内部サークリップは、組み立てられた円形の穴の直径よりもわずかに大きい外径がある穴の中にぴったりとフィットするように設計されています。この干渉の適合により、衝撃、振動、高速回転などの動的な条件下でも、サークリップがしっかりと座ったままになります。
DIN 472のサークリップはどのように機能しますか?
DIN 472サークリップの有効性は、デザインと材料の特性にあります。炭素鋼(65mn、C67)やステンレス鋼(304、2CR13、1.4122)などの高品質の材料で作られたこれらのサークリップには、優れた弾力性、強度、疲労抵抗があります。特殊なサークリッププライヤーを使用して設置すると、サーキットリップはわずかに拡張して溝に収まり、元の形状に収縮し、軸方向の変位を防ぐタイトなシールを作成します。
の重要な機能 DIN 472サークリップ 含む:
干渉の適合:溝が溝にしっかりと座っていることを保証します。
スプリングの特性:サーブリップが永続的な変形なしに衝撃と振動を吸収できるようにします。
精度の寸法:緊密な許容範囲は、さまざまなアプリケーションで一貫したパフォーマンスを保証します。
業界全体のアプリケーション
DIN 472内部サークリップは、軸方向保持が重要なアプリケーションで広く使用されています。いくつかの一般的な例は次のとおりです。
自動車産業:エンジン、トランスミッション、サスペンションシステムでは、DIN 472のサークリップを使用して、ベアリング、ギア、ブッシングなどのコンポーネントを保持し、高負荷と振動の下で滑らかな動作を確保します。
航空宇宙工学:着陸装置のアセンブリや制御システムなどの航空機コンポーネントでは、これらのサークリップは、温度変動や高周波振動を含む極端な条件に耐えながら、信頼できる軸保持を提供します。
産業機械:コンベアシステムから頑丈な機器まで、DIN 472のサークリップは、回転または往復部品を固定し、ダウンタイムとメンテナンスコストを削減するために不可欠です。
医療機器:精度と信頼性が交渉不可能な医療機器と診断機器で使用されています。
材料の選択と表面処理
多様な運用環境の要求を満たすために、 DIN 472内部サークリップ さまざまな材料と表面処理で利用できます。
一般的なオプションは次のとおりです。
炭素鋼:高強度と耐久性を提供し、汎用アプリケーションに適しています。
ステンレス鋼:海洋や化学処理などの過酷な環境に最適な優れた腐食抵抗を提供します。
表面処理:リン酸塩、ダクロメット、幾何学、亜鉛めっき、亜鉛ニッケルめっきなどのオプションは、摩耗、錆、環境の劣化に対するサークリップの抵抗を高めます。
これらの材料と治療の選択により、DIN 472のサークリップは、水分、化学物質、または極端な温度にさらされるかどうかにかかわらず、ほぼすべての用途で確実に機能することができます。
なぜAnhui Ningguo Dongbo Fastener Co.、Ltd。を選ぶのですか?
高品質のDIN 472内部サークリップの調達に関しては、Anhui Ningguo Dongbo Fastener Co.、Ltd。が信頼できるパートナーとして際立っています。 2005年9月に設立され、Ningguoの経済および技術開発ゾーンに位置するDongbo Fastenerは、保持リング、洗濯機、弾性円筒形のピン、およびその他の精密エンジニアリングコンポーネントを生産した46年以上の経験があります。
イノベーションと顧客満足度に重点を置いて、Dongbo Fastenerは以下を提供します。
包括的な製品範囲:Standard DIN 472サークリップから特定のニーズに合わせた完全にカスタマイズされたソリューションまで。
高度な製造技術:最先端の機器とプロセスを利用して、次元の精度と一貫性を確保します。
品質へのコミットメント:厳密なテストと品質保証プロトコルは、すべての製品が業界標準を満たすかそれを超えることを保証します。
ワンストップソリューション:大量生産からカスタム開発まで、Dongboは統合製造、R&D、および販売サービスを提供します。