| D1 | s | tol | D3 | tol | E | r(min) | b | tol | wt(g) | D2 | tol | m | tol | fn(kn) | fr(kn) | g | frg(kn) | n abl |
| 30 | 1.12 |
–0.1 |
27.4 |
0.4 |
3 |
0.4 |
3.25 |
–0.15 |
2.8 |
28.17 |
–0.25 |
1.35 |
0.3 |
13.7 |
16.6 |
2 |
2.91 |
16 |
| 32 | 1.12 |
–0.1 |
29.4 |
0.4 |
3 |
0.4 |
3.25 |
–0.15 |
3 |
30.15 |
–0.25 |
1.35 |
0.3 |
14.6 |
14.6 |
2 |
2.57 |
13 |
| 35 | 1.12 |
–0.1 |
32.4 |
0.4 |
3 |
0.4 |
3.25 |
–0.15 |
3.2 |
33.17 |
–0.25 |
1.35 |
0.3 |
16 |
13.4 |
2 |
2.42 |
11 |
| 37 | 1.12 |
–0.1 |
34 |
0.4 |
3 |
0.4 |
3.25 |
–0.15 |
3.4 |
34.77 |
–0.25 |
1.35 |
0.3 |
20.7 |
13.6 |
2 |
2.45 |
10 |
| 40 | 1.12 |
–0.1 |
37.3 |
0.4 |
3 |
0.4 |
3.25 |
–0.15 |
3.6 |
38.1 |
–0.25 |
1.35 |
0.3 |
19.3 |
13.5 |
2 |
2.5 |
8 |
| 42 | 1.12 |
–0.1 |
38.9 |
0.5 |
3 |
0.4 |
3.25 |
–0.15 |
3.8 |
39.75 |
–0.25 |
1.35 |
0.3 |
23.5 |
12.9 |
2 |
2.39 |
7 |
| 44 | 1.12 |
–0.1 |
40.9 |
0.5 |
3 |
0.4 |
3.25 |
–0.15 |
4 |
41.75 |
–0.25 |
1.35 |
0.3 |
24.6 |
12.4 |
2 |
2.29 |
7 |
| 47 | 1.12 |
–0.1 |
43.7 |
0.5 |
4 |
0.4 |
4.04 |
–0.15 |
5.3 |
44.6 |
–0.25 |
1.35 |
0.3 |
28.8 |
12.1 |
2 |
2.29 |
7 |
| 50 | 1.12 |
–0.1 |
46.7 |
0.5 |
4 |
0.4 |
4.04 |
–0.15 |
5.8 |
47.6 |
–0.25 |
1.35 |
0.3 |
30.6 |
13.3 |
2 |
2.6 |
6 |
| 52 | 1.12 |
–0.1 |
48.8 |
0.5 |
4 |
0.4 |
4.04 |
–0.15 |
5.9 |
49.73 |
–0.25 |
1.35 |
0.3 |
31.6 |
12.8 |
2.5 |
2.01 |
6 |
| 55 | 1.12 |
–0.1 |
51.7 |
0.5 |
4 |
0.4 |
4.04 |
–0.15 |
6.2 |
52.6 |
–0.25 |
1.35 |
0.3 |
33.8 |
11.8 |
2.5 |
1.9 |
5 |
| 56 | 1.12 |
–0.1 |
52.4 |
0.8 |
4 |
0.4 |
4.04 |
–0.15 |
6.5 |
53.6 |
–0.25 |
1.35 |
0.3 |
34.5 |
12.1 |
2.5 |
1.95 |
5 |
| 58 | 1.12 |
–0.1 |
54.4 |
0.8 |
4 |
0.4 |
4.04 |
–0.15 |
6.7 |
55.6 |
–0.25 |
1.35 |
0.3 |
35.6 |
11.5 |
2.5 |
1.89 |
5 |
| 62 | 1.7 |
–0.1 |
58.2 |
0.8 |
4 |
0.6 |
4.04 |
–0.15 |
10.5 |
59.61 |
–0.50 |
1.9 |
0.3 |
38.1 |
37.6 |
2.5 |
6.18 |
5 |
| 65 | 1.7 |
–0.1 |
61.2 |
0.8 |
4 |
0.6 |
4.04 |
–0.15 |
11 |
62.6 |
–0.50 |
1.9 |
0.3 |
40 |
34.9 |
2.5 |
5.89 |
4 |
| 68 | 1.7 |
–0.1 |
63.4 |
0.8 |
5 |
0.6 |
4.85 |
–0.15 |
12.6 |
64.82 |
–0.50 |
1.9 |
0.3 |
55.5 |
40.9 |
2.5 |
7.06 |
4 |
| 72 | 1.7 |
–0.1 |
67.4 |
0.8 |
5 |
0.6 |
4.85 |
–0.15 |
14.7 |
68.81 |
–0.50 |
1.9 |
0.3 |
59 |
38.9 |
2.5 |
6.71 |
4 |
| 75 | 1.7 |
–0.1 |
70.4 |
0.8 |
5 |
0.6 |
4.85 |
–0.15 |
15.3 |
71.83 |
–0.50 |
1.9 |
0.3 |
61.5 |
36.6 |
2.5 |
6.46 |
3 |
| 80 | 1.7 |
–0.1 |
75.4 |
0.8 |
5 |
0.6 |
4.85 |
–0.15 |
16.3 |
76.81 |
–0.50 |
1.9 |
0.3 |
65.7 |
34.8 |
3 |
5.25 |
3 |
| 85 | 1.7 |
–0.1 |
80.4 |
0.8 |
5 |
0.6 |
4.85 |
–0.15 |
17.5 |
81.81 |
–0.50 |
1.9 |
0.3 |
70 |
33.5 |
3 |
5.16 |
3 |
| 90 | 2.46 |
–0.1 |
85.4 |
0.8 |
5 |
0.7 |
4.85 |
–0.15 |
26.6 |
86.79 |
–0.50 |
2.7 |
0.3 |
74 |
93.9 |
3 |
14.8 |
2 |
| 95 | 2.46 |
–0.1 |
90.4 |
0.8 |
5 |
0.7 |
4.85 |
–0.15 |
28.2 |
91.82 |
–0.50 |
2.7 |
0.3 |
76.3 |
86.8 |
3.5 |
12 |
2 |
| 100 | 2.46 |
–0.1 |
95.2 |
1 |
5 |
0.7 |
4.85 |
–0.15 |
29.2 |
96.8 |
–0.50 |
2.7 |
0.3 |
82.5 |
80.8 |
3.5 |
11.4 |
2 |
| 110 | 2.46 |
–0.1 |
105.2 |
1 |
5 |
0.7 |
4.85 |
–0.15 |
32.8 |
106.81 |
–0.50 |
2.7 |
0.3 |
90.7 |
71.2 |
3.5 |
10.4 |
1 |
| 115 | 2.46 |
–0.1 |
110.2 |
1 |
5 |
0.7 |
4.85 |
–0.15 |
34.4 |
111.81 |
–0.50 |
2.7 |
0.3 |
97.7 |
66.6 |
3.5 |
10 |
1 |
| 120 | 2.82 |
–0.1 |
113.6 |
1 |
7 |
0.7 |
7.21 |
–0.15 |
60.6 |
115.21 |
–0.50 |
3.1 |
0.3 |
143 |
140 |
3.5 |
21.3 |
2 |
| 125 | 2.82 |
–0.1 |
118.6 |
1 |
7 |
0.7 |
7.21 |
–0.15 |
63 |
120.22 |
–0.50 |
3.1 |
0.3 |
155 |
132 |
4 |
17.9 |
2 |
| 130 | 2.82 |
–0.1 |
123.6 |
1 |
7 |
0.7 |
7.21 |
–0.15 |
65.6 |
125.22 |
–0.50 |
3.1 |
0.3 |
166 |
124.7 |
4 |
17.3 |
1 |
| 140 | 2.82 |
–0.1 |
133 |
1.6 |
7 |
0.7 |
7.21 |
–0.15 |
70.6 |
135.23 |
–0.50 |
3.1 |
0.3 |
180 |
111.6 |
4 |
16 |
1 |
| 145 | 2.82 |
–0.1 |
138 |
1.6 |
7 |
0.7 |
7.21 |
–0.15 |
73 |
140.23 |
–0.50 |
3.1 |
0.3 |
186 |
106.4 |
4 |
15.5 |
1 |
| 150 | 2.82 |
–0.1 |
142.9 |
1.6 |
7 |
0.7 |
7.21 |
–0.15 |
77.2 |
145.24 |
–0.50 |
3.1 |
0.3 |
193 |
101.5 |
4 |
15 |
1 |
| 160 | 2.82 |
–0.1 |
152.9 |
1.6 |
7 |
0.7 |
7.21 |
–0.15 |
81 |
155.22 |
–0.50 |
3.1 |
0.3 |
206 |
92 |
4 |
14.1 |
1 |
| 170 | 3.1 |
–0.1 |
161.3 |
1.6 |
10 |
0.7 |
9.6 |
–0.15 |
122 |
163.65 |
–0.50 |
3.5 |
0.3 |
283 |
148 |
5 |
18.7 |
1 |
| 180 | 3.1 |
–0.1 |
171.2 |
1.6 |
10 |
0.7 |
9.6 |
–0.15 |
128 |
173.66 |
–0.50 |
3.5 |
0.3 |
292 |
135 |
5 |
17.7 |
1 |
| 190 | 3.1 |
–0.1 |
181 |
1.8 |
10 |
0.7 |
9.6 |
–0.15 |
139 |
183.64 |
–0.50 |
3.5 |
0.3 |
311 |
124 |
5 |
16.7 |
1 |
| 200 | 3.1 |
–0.1 |
191 |
1.8 |
10 |
0.7 |
9.6 |
–0.15 |
148 |
193.65 |
–0.50 |
3.5 |
0.3 |
336 |
116 |
5 |
16 |
1 |
| 210 | 3.1 |
–0.1 |
200.9 |
1.8 |
10 |
1.2 |
9.6 |
–0.15 |
156 |
203.6 |
–0.50 |
3.5 |
0.3 |
356 |
106 |
6 |
12.7 |
1 |
| 215 | 3.1 |
–0.1 |
205.9 |
1.8 |
10 |
1.2 |
9.6 |
–0.15 |
160 |
208.6 |
–0.50 |
3.5 |
0.3 |
376 |
103 |
6 |
12.4 |
1 |
| 225 | 3.5 |
–0.1 |
214.3 |
1.8 |
10 |
1.2 |
10 |
–0.15 |
196 |
217 |
–0.50 |
4.5 |
0.4 |
462 |
144 |
6 |
17.9 |
1 |
| 230 | 3.5 |
–0.1 |
219.2 |
1.8 |
10 |
1.2 |
10 |
–0.15 |
200 |
222 |
–0.50 |
4.5 |
0.4 |
473 |
139.1 |
6 |
17.5 |
1 |
| 240 | 3.5 |
–0.1 |
229.2 |
1.8 |
10 |
1.2 |
10 |
–0.15 |
209 |
232 |
–0.50 |
4.5 |
0.4 |
495 |
130 |
6 |
16.8 |
0.5 |
| 250 | 3.5 |
–0.1 |
239.2 |
1.8 |
10 |
1.2 |
10 |
–0.15 |
220 |
242 |
–0.50 |
4.5 |
0.4 |
514 |
122 |
6 |
16.1 |
0.5 |
| 260 | 3.5 |
–0.1 |
247.5 |
2.5 |
10 |
1.2 |
10 |
–0.30 |
230 |
252 |
–0.50 |
4.5 |
0.4 |
536 |
114 |
6 |
15.5 |
0.5 |
| 270 | 3.5 |
–0.1 |
257.5 |
2.5 |
10 |
1.2 |
10 |
–0.30 |
240 |
262 |
–0.50 |
4.5 |
0.4 |
556 |
107 |
6 |
14.9 |
0.5 |
| 280 | 3.5 |
–0.1 |
267.5 |
2.5 |
10 |
1.2 |
10 |
–0.30 |
250 |
272 |
–0.50 |
4.5 |
0.4 |
578 |
101 |
6 |
14.4 |
0.5 |
| 290 | 3.5 |
–0.1 |
277.5 |
2.5 |
10 |
1.2 |
10 |
–0.30 |
260 |
282 |
–0.50 |
4.5 |
0.4 |
598 |
95.4 |
6 |
13.9 |
0.4 |
| 300 | 4.5 |
–0.2 |
284.5 |
2.5 |
10 |
1.5 |
12 |
–0.30 |
400 |
290 |
–0.50 |
5.5 |
0.5 |
694 |
230 |
7 |
34.2 |
0.6 |
| 310 | 4.5 |
–0.2 |
294 |
3 |
10 |
1.5 |
12 |
–0.30 |
412 |
300 |
–0.50 |
5.5 |
0.5 |
800 |
218 |
7 |
28.4 |
0.5 |
| 320 | 4.5 |
–0.2 |
304 |
3 |
10 |
1.5 |
12 |
–0.30 |
420 |
310 |
–0.50 |
5.5 |
0.5 |
824 |
207 |
7 |
27.6 |
0.5 |
| 340 | 4.5 |
–0.2 |
324 |
3 |
10 |
1.5 |
12 |
–0.30 |
446 |
330 |
–0.50 |
5.5 |
0.5 |
875 |
187 |
7 |
26 |
0.4 |
| 360 | 4.5 |
–0.2 |
343 |
3 |
10 |
1.5 |
12 |
–0.30 |
475 |
350 |
–0.50 |
5.5 |
0.5 |
930 |
169 |
7 |
24.5 |
0.4 |
| 370 | 4.5 |
–0.2 |
353 |
3 |
10 |
1.5 |
12 |
–0.30 |
485 |
360 |
–0.50 |
5.5 |
0.5 |
955 |
162 |
7 |
23.8 |
0.4 |
| 380 | 4.5 |
–0.2 |
363 |
3 |
10 |
1.5 |
12 |
–0.30 |
500 |
370 |
–0.50 |
5.5 |
0.5 |
955 |
154 |
7 |
23.2 |
0.4 |
| 400 | 4.5 |
–0.2 |
383 |
3 |
10 |
1.5 |
12 |
–0.30 |
525 |
390 |
–0.50 |
5.5 |
0.5 |
1040 |
144 |
7 |
22.1 |
0.3 |
非標準スタンピング部品とは何か、またそれが必要となる場合 非標準スタンピング部品 は、スタンピングプロセス(金型とパンチを使用して金属シートを特定の形状にプレスする)を通じて製造される精密金属コンポーネントであり、カタログや既製の製品では満たすことができない要件を満たすために、形状、寸法、機能的特徴がカスタム設計されています。標準のスタンピング部品との違いは、単にサイズの違いだ...
外部サークリップは、機械工学において最も信頼性が高く、コスト効率の高い締結具の 1 つです。自動車のギアボックスから産業用コンベヤ システムに至るまで、あらゆるものに使用されており、シャフト上のコンポーネントの軸方向の動きを防ぐためのコンパクトなソリューションを提供します。しかし、その単純さにもかかわらず、不適切な取り付けまたは取り外しは、それらを使用するアセンブリでコンポーネントが早期に故障する最も一般的な原因の 1 つです。こ...
スナップリングの中心的な機能を理解する スナップリング 止め輪またはサークリップと呼ばれることが多いこの部品は、非常に特殊な機械的目的を果たします。つまり、精密アセンブリ内の半径方向の隙間を維持しながら、軸方向の動きを制限します。ネジ留め具や溶接継手とは異なり、これらのコンポーネントは弾性変形に依存して機械加工された溝内に固定されます。取り付けられると、リングは制御された膨張または圧縮を受け、リングを溝の壁にしっ...
非標準のプレス部品製造におけるエンジニアリング精度 非標準スタンピング部品は、従来の仕様から逸脱するコンポーネントを必要とする業界にとって重要な製造ソリューションです。大量生産の標準部品とは異なり、これらのカスタム設計コンポーネントは、特殊なダイとパンチを使用して金属シートを精密に成形する、カスタマイズされたスタンピングプロセスを経て、独自の形状、公差、および機能的特徴を実現します。生産ワークフローは、詳細な CAD 図面や...
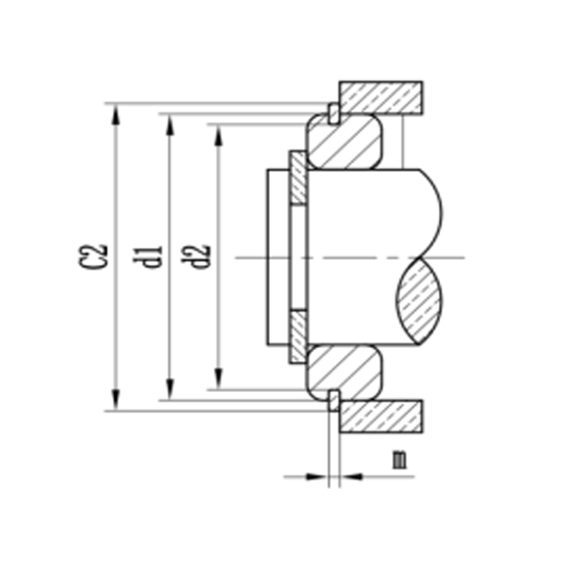
din5417保持リングの背後にある科学:丸い内径でベアリングを固定する
din5417などの維持リングは、シンプルでありながら重要な目的を果たします。それらは、ベアリングがハウジング内やシャフトに沿って移動するのを防ぎます。動きを制御するブレーキメカニズムとは異なり、リングを保持するリングは固定に焦点を当てています。そのコンポーネントは、操作中に安全に所定の位置に残ります。この安定性は、アライメントを維持し、摩耗や裂傷を減らし、コストのかかるダウンタイムを防ぐために重要です。
DIN5417保持リングの傑出した特徴の1つは、その丸い内径です。この設計要素は、単なる美的ではありません。機能的な目的に役立ちます。丸い内径により、保持リングはシャフトの対応する丸い溝にぴったりとフィットし、安全で安定した接続を作成します。この設計により、ストレス濃度が最小限に抑えられ、力の分布が保証され、アセンブリの耐久性と信頼性が向上します。
丸い内径の科学
の丸い内径 din5417保持リング ファスナー設計における材料科学と工学の重要性の証です。この機能が非常に重要な理由は次のとおりです。
荷重分布の改善:
丸い内径は、ストレス点を作成できる鋭いエッジを減らします。接触面全体に荷重を均等に分配することにより、保持リングは動的な力と振動に耐えることができます。
グリップと安定性の強化:
丸みを帯びたプロファイルは、溝内により緊密な適合を保証し、滑りや不整合のリスクを最小限に抑えます。これは、精度が重要な高速または重荷アプリケーションで特に重要です。
最新の製造技術との互換性:
丸いデザインは、シャフトに溝を作成するために使用される高度な機械加工プロセスと完全に整合しています。この互換性により、アセンブリ全体でシームレスな統合と一貫したパフォーマンスが保証されます。
寿命の増加:
応力濃度を減らし、負荷をかける能力を改善することにより、丸い内径は、保持リングとそれが確保するコンポーネントの両方の全体的な寿命に寄与します。
Anhui Ningguo Dongbo Fastener Co.、Ltd。では、46年以上にわたってファスナー生産の芸術と科学を完成させてきました。 2005年9月に設立され、名誉あるNingguo経済技術開発ゾーンに本社を置く当社は、ファスナー業界のリーダーに成長しました。 4772百万の登録資本、広大な91エーカーの施設、530人以上の熟練した従業員のチームにより、最高水準の品質とパフォーマンスを満たす製品を提供する能力があります。
私たちのdin5417外部スナップ保持リングはいくつかの理由で際立っています:
精密製造:各保持リングは、最先端のテクノロジーを使用して作成され、寸法の精度と一貫性を確保するために厳しい品質チェックを受けます。
材料の卓越性:私たちは、例外的な強度、耐食性、耐久性を提供するプレミアムグレードの材料を使用しており、製品を幅広い環境に適しています。
カスタマイズ機能:特定の要件に合わせた標準部品またはオーダーメイドのソリューションが必要な場合でも、当社のチームには提供する専門知識があります。
包括的なサポート:最初の相談からアフターセールスサービスまで、お客様の満足を確保するためにエンドツーエンドのサポートを提供します。
顧客のニーズに基づいたイノベーション
Dongboでは、イノベーションはお客様が直面する課題を理解することから始まると信じています。当社の技術開発チームは、実際の問題に対処するソリューションの作成に専念しています。 din5417外部スナップ保持リング シャフトベアリングは、このコミットメントの代表的な例です。その丸い内径と堅牢なデザインは、期待するだけでなく期待を超える製品を提供することへの献身を反映しています。
大量生産された標準部品から完全にカスタマイズされたコンポーネントまで、自動車や航空宇宙から重機や消費財に至るまでの産業に対応するように設計された製品の多様なポートフォリオを提供しています。進化する市場の需要に適応する能力は、世界中の企業の信頼できるパートナーとして私たちを際立たせています。
先を見据えて、リングテクノロジーを維持する未来
産業が進歩し続けるにつれて、革新的な固定ソリューションの需要は成長するだけです。ドンボでは、可能なことの境界を押し広げることに引き続きコミットしています。 R&Dへの継続的な投資により、私たちは技術の進歩の最前線にとどまり、精度、耐久性、効率を組み合わせた製品を提供します。
DIN5417外部スナップ保持リングは、卓越性への旅におけるわずか1つのマイルストーンを表しています。丸みを帯びた内径と優れたパフォーマンスにより、私たちのブランドを定義する科学と職人技を体現しています。